对于过敏体质人群来说,精准找出过敏原是防治过敏的关键,玉溪市中山医院皮肤科的过敏原检测项目,能帮患者锁定 “过敏元凶”,开启科学防治新篇。
什么是过敏?
过敏指人体免疫系统对某些无害的物质(如花粉、食物、尘螨等)的异常反应。免疫系统会将其误认成有害物质,产生抗体攻击,进而引起皮肤瘙痒、红肿、打喷嚏、腹泻等不适症状。过敏可能遗传,同时也和环境因素密切相关。


生活中常见的过敏原种类
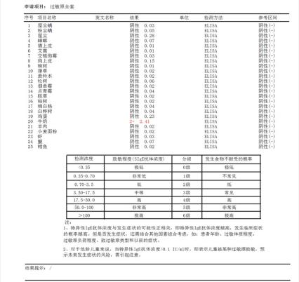
吸入性:花粉、尘螨、宠物皮屑、霉菌等;
食入性:牛奶、鸡蛋、海鲜、坚果、小麦等;
接触性:化妆品、染发剂、金属饰品、乳胶等;
药物性:青霉素、链霉素等(注射类药物风险更高)
玉溪市中山医院皮肤科过敏原检测优势
玉溪市中山医院皮肤科凭借专业的检测技术与医疗团队,为广大患者提供可靠的检测与科学的治疗服务。
覆盖全面:检测涵盖39项常见过敏原,包括尘螨、花粉、宠物毛发、牛奶、海鲜等食入/吸入性/接触性物质,精准锁定致敏源头。
安全无痛:采用国际“金标准”血清特异性IgE检测,仅需少量血液,即可检测。无需空腹,适合各年龄段人群(含婴幼儿、孕妇)。
快速高效:皮肤科医生将结合临床病史,精准解读报告,为其提供科学有效的治疗方案。
个性化方案:根据检测结果定制防敏策略,从源头阻断过敏进程。


过敏原检测的必要性
规避风险:明确过敏原后,可针对性避免接触过敏原,降低发作频率。
指导治疗:为脱敏治疗提供依据,如尘螨过敏患者可通过长期免疫治疗实现“脱敏”。
预警并发症:早期发现过敏原,防止发展为哮喘、慢性鼻炎等严重疾病。
过敏原检测前的注意事项
饮食方面:检测前1周,不可食用辛辣、油腻及刺激性食物,如芒果、菠萝等易过敏水果,以及海鲜类高敏高蛋白食物。检测前大量食用,可能导致检测时皮肤反应异常,干扰了对其他过敏原的判断。
药物使用:在检测前1周不要口服抗组胺药物(如氯雷他定、西替利嗪等)及糖皮质激素。
特殊身体状况:近期若有发热、感染等不适,建议推迟检测。身体应激时免疫系统改变,会使检测结果不准确。
专家简介
